. . .

Gent Schaltungen und -Aufbauten
© Gijs Veraart


Hier einige Informationen zum Aufbau der Gent-Haupt- und Nebenuhren:

Bitte Zeichnungen zum Vergrößeren anklicken

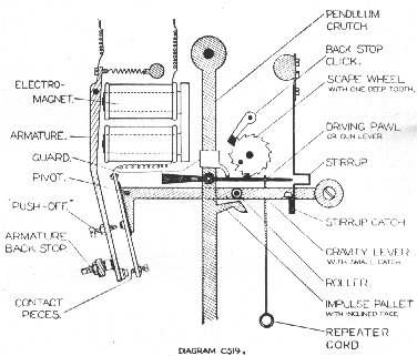
Gent C7 Schaltung

Gent Battery Warning Bell Circuit

Gent Waiting Train Circuit

Gent Trickle Charger Circuit

zu Top
zu Gent-Uhren
zu Elektr. Uhren
zu Sammler-Ecke
Home Hanse